产品规格

芯片架构

关键性能特征

Kestrel342

130nm SiGe BiCMOS 3T4R 76-81GHz Radar Transceiver

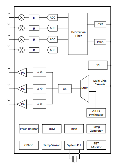
Kestrel342是一颗基于130nm SiGe BiCMOS工艺研发的高集成度3发4收76-81GHz毫米波雷达收发芯片,以汽车电子应用标准设计,支持TDM/BPM调制模式,支持6bit相位控制和级联模式,支持多颗芯片级联,符合4D成像雷达应用要求,符合AEC-Q100 Grade 1,功能及性能在业界具备极强的竞争优势